| Sign In | Join Free | My chinabagsnet.com |
|
Brand Name : GE
Model Number : IC693MDL645
Place of Origin : USA
Price : negotiation
Payment Terms : T/T
Supply Ability : 1
Delivery Time : 5-8 work daysRockwell Automation
Packaging Details : New in original boxRockwell Automation
Condition : new
Output voltage range : 10.2-28.8 VDC (12/24 VDC mode); 4.74 - 5.25 VDC (TTL Mode)
Output connection : 2 x 24-pin connectors
warranty : 1 year
Maximum inrush current : 4.6 A for 20 ms
Output groups : 4
Output points : 32
Compatibility : GE Fanuc 90-30 PLCs
GE IC693MDL645 INPUT MODULE 16 POINT DISCRETE LOGIC POSITIVE/NEGATIVE LOGIC INPUT 24 VDC
Product information GE IC693MDL645 :
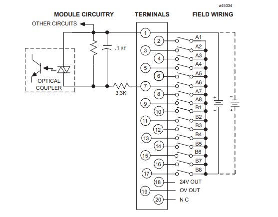
The IC693MDL645 is a 24-volt DC Positive/Negative Logic Input belonging to the 90-30 Series of Programmable Logic Controllers. It can be installed in any Series 90-30 PLC system that has either a 5 or 10 -slot baseplate. This input module has both positive and negative logic characteristics. It has 16 input points per group. It utilizes one common power terminal. The user has two options for powering field devices; either supply the power directly or use a compatible +24BDC supply.
The IC693MDL645 module’s dual logic characteristics makes it ideal in applications that require electronic proximity switches, limit switches, and pushbuttons. It is important to note that the wiring and current identification information is located on an insert. This insert is located between the inner and outer surface of the hinged door. The wiring information is located on the side of the insert facing outward. The current identification is located on the inside of the insert, so it is necessary to open the hinged door to review this information. This module is classified as low voltage, which is why the outside edge of the insert has been color-coded blue.
Situated at the top of the module are two horizontal rows, each row having eight green LEDs. The LEDs which correspond to the top row input points 1 to 8 are labeled A1 to A8, while those on the second row, which correspond to input points 9 through 16, are labeled B1 to B8. These LEDs serve to indicate the “on” or “off” status of each input point.
This 24-volt DC Positive/Negative Logic Input module has a rated voltage of 24 volts with a DC input voltage range of 0 to +30 volts DC. Isolation is 1500 volts between field side and logic side. The input current at rated voltage is typically 7 mA. For its input characteristics: the on-state voltage is 11.5 to 30 volts DC while the off-state voltage is 0 to ±5 volts DC.
The on-state current is 3.2 mA minimum and the off-state current is 1.1 mA maximum. On and off response time is typically 7 ms for each. Power consumption at 5V is 80 mA (when all inputs are on) from a 5-volt bus on the backplane. Power consumption at 24V is 125 mA from the isolated 24-volt backplane bus or from user-supplied power.
| Manufacturer | GE Fanuc |
|---|---|
| Series | Series 90-30 |
| Part Number | IC693MDL645 |
| Product Type | 16-Point Input Module |
| Input Voltage | 24 Volts DC |
| Power Source | User-supplied or an Isolated 24 Volts DC Power Supply |
| Input Current Rating | 7 milliamps Typical |
| Isolation | 1500 Volts Between the Field Side and Logic Side |
| On-state Voltage | 11.5 to 30 Volts DC |
| Off-state Voltage | 0 to +5 Volts DC |
IC693MDL645 's details:

Our brand:

1, First, send us the brand, model code/pic of the nameplate, the quantity for inquiry. Then we will send the quote to you. after confirming the model and the quantity, then we will the PI to you.
2, You can transfer by Paypal/ Western Union/Trade assurance/ T/T. When we received the payment, then we will start to prepare the order for you asap.
|
|
GE IC693MDL645 INPUT MODULE 16 POINT DISCRETE LOGIC POSITIVE/NEGATIVE LOGIC INPUT 24 VDC Images |